24小时销售热线:177 1789 7821
上海毅顶机电科技有限公司 地址:上海市闵行区元江路5500号 电话:021-54438821 汪先生:17717897821(24小时销售热线) 邮箱:wangxm30@sina.com 网址:www.shyidingkj.com
产品展示
首页 / 产品展示
可选订制:速度1300转/分,高频高精度定位(60ms运行60°)。详细请联系我司
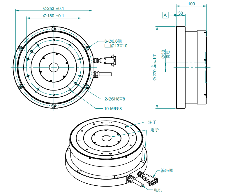
DF3N-100G安装尺寸图:
DF3N-070G安装尺寸图:
DF3N-600G安装尺寸图: